Hive Active Heating 2 Wired Thermostat. Model: SLT5. This is our wired thermostat for combi boilers. It's a good option if you want to connect it to your existing thermostat's wiring and put it in the same place. It's also a good option if you have a larger home or one with thick walls, or if your boiler is hard to reach. It takes 3x AA batteries.. With S plan unlikely the old thermostat is not switching 230 volt, so can fit Hive there, although I would still check it is 230 volt. What we are looking at is your ability, I would use a twin channel Hive, but as to what you can do, I don't know. The wire from B needs to go to 4 on Hive, and the wire in 4 on back plate needs to move to 3, and.
Hive Multizone S Plan Wiring Page 2 DIYnot Forums
Hive dual channel wiring help DIYnot Forums
Hive Heating HW always on? DIYnot Forums

Hive wiring help Page 2 Overclockers UK Forums

Hive Active Heating Wiring Diagram

Hive with installation with a Vaillant ecoTEC plus 824 Als Web Page
Hive Multizone Wiring Copy DIYnot Forums
Hive Dual Channel Wiring Diagram Combi / Combi Boiler Thermostat Wiring Youtube Create table
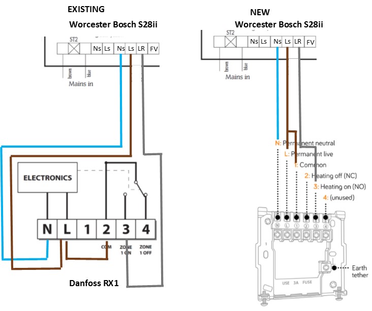
Quick check wiring Hive 2 to Worcester S28SiiII DIYnot Forums
Download Free Wiring Diagram Download Hive Dual Channel Wiring Diagram Y Plan Pictures

Help Installing Hive 2 Overclockers UK Forums
Installing Hive Multizone to Ideal Logic 35 with 2x ESRTP4 thermostats DIYnot Forums

Download Free Wiring Diagram Download Hive Dual Channel Wiring Diagram Y Plan Pictures
Hive Wiring Diagram Organicid
wiring a dual channel hive DIYnot Forums
Hive Dual Channel Wiring Diagram Uploadled
hive single channel wiring diagram Diagram Board
hive central heating wiring diagram Wiring Diagram and Schematics

Wiring Diagram For Hive
Hive Wiring Diagram Best Centre
There are 3 motorised valves (one for downstairs heating, 1 for upstairs and 1 for hot water). So it's a dual zone whereby existing control downstairs controls heating and water, upstairs is heating only. I want to install 2 Hive receivers (1 single channel and 1 dual channel) and am struggling with the control wiring (power is fine).. Single Sign On Login. Log into your account. Username: